Уважаемые клиенты, сообщаем вам, что с 1 января 2026 г., филиал в городе Алматы будет закрыт на неопределенный срок.
Просим Вас забрать свои заказы до 25 декабря 2025 г.
Приносим свои извинения за возможные неудобства.
18640
Диоды защитные – полупроводниковые устройства, выполняющие функцию ограничителя напряжения или супрессора, то есть они защищают электронную радиоаппаратуру от электрического перенапряжения. Защитные диоды имеют ярко выраженную нелинейную вольт-амперную характеристику.
Будет доступен:
Спецификация:
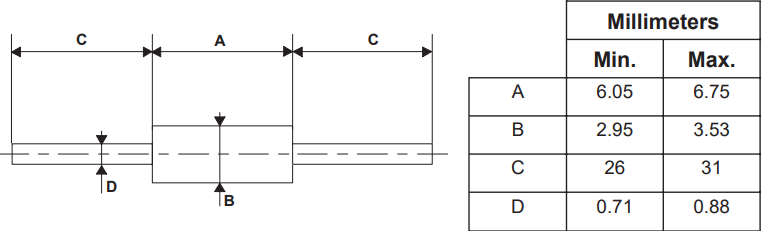
Габариты:

Авторизируйтесь чтобы оставить отзыв.